Số 12, ngõ 1, Bùi Huy Bích, Hoàng Mai, Hà Nội
Máy bơm trục đứng Pentax MSVA
– Thương hiệu: Pentax
– Công suất: 7.5HP – 20HP
– Lưu lượng: Max 27m³/h
– Cột áp: Max 227.2m
– Tình trạng: Hàng mới 100% – Còn hàng
– Xuất Xứ: Italy
– Bảo hành: 12 tháng
CÔNG TY CỔ PHẦN SX VÀ XNK THÁI HƯNG PHÁT
🏠 VPGD Hà Nội: Số 12, ngõ 1, Bùi Huy Bích, Hoàng Mai, HN
🏠 VPGD HCM: Hẻm 689 Lạc Long Quân, Quận 10, HCM
📞 Hotline: 0906 222 114 – 0899 222 911 – 0849 099 888
✉️ Mail: kinhdoanh@thaihungphat.vn
⏰ Thời gian: Từ 8h - 17h30h thứ 2 đến thứ 7
Table of Contents
ToggleMáy bơm trục đứng Pentax MSVA – Bơm ly tâm trục đứng đa tầng cánh nhập khẩu từ Italy
Các dòng sản phẩm máy bơm mang thương hiệu Pentax đến từ Italy không còn là cái tên xa lạ của nhiều chủ thầu cũng như các nhà đầu tư hiện nay. Trong số các sản phẩm được quan tâm nhất, không thể không kể đến máy bơm trục đứng Pentax MSVA.

Dòng sản phẩm này đang được sử dụng khá nhiều trên thị trường trong và ngoài nước. Tuy nhiên, không phải ai cũng hiểu hết về đặc điểm cấu tạo cũng như thông số vận hành của dòng bơm này. Trong bài viết dưới đây, Thái Hưng Phát sẽ cùng Quý khách đi tìm hiểu chi tiết.
Thông số vận hành của bơm trục đứng đa tầng cánh Pentax MSVA
Các sản phẩm bơm nước trục đứng MSVA thương hiệu Pentax đang cung cấp ra thị trường rất nhiều model khác nhau. Mỗi model sẽ có những thông số kỹ thuật riêng biệt đáp ứng từng nhu cầu sử dụng của người dùng. Dưới đây là bảng tổng hợp đầy đủ và chi tiết nhất:
Bảng thông số kỹ thuật chi tiết của Máy bơm trục đứng Pentax MSVA

Đặc điểm cấu tạo của máy bơm ly tâm trục đứng Pentax MSVA
Máy bơm ly tâm trục đứng Pentax MSVA có kiểu dáng trục đứng với nhiều tầng cánh bơm. Thiết kế này giúp tiết kiệm không gian lắp đặt mà vẫn mang lại hiệu quả hoạt động cao cho toàn bộ hệ thống. Các bộ phận của của bơm nước trục đứng Pentax MSVA đều được chế tạo từ những vật liệu chắc chắn cho khả năng làm việc ổn định và độ bền lâu dài.
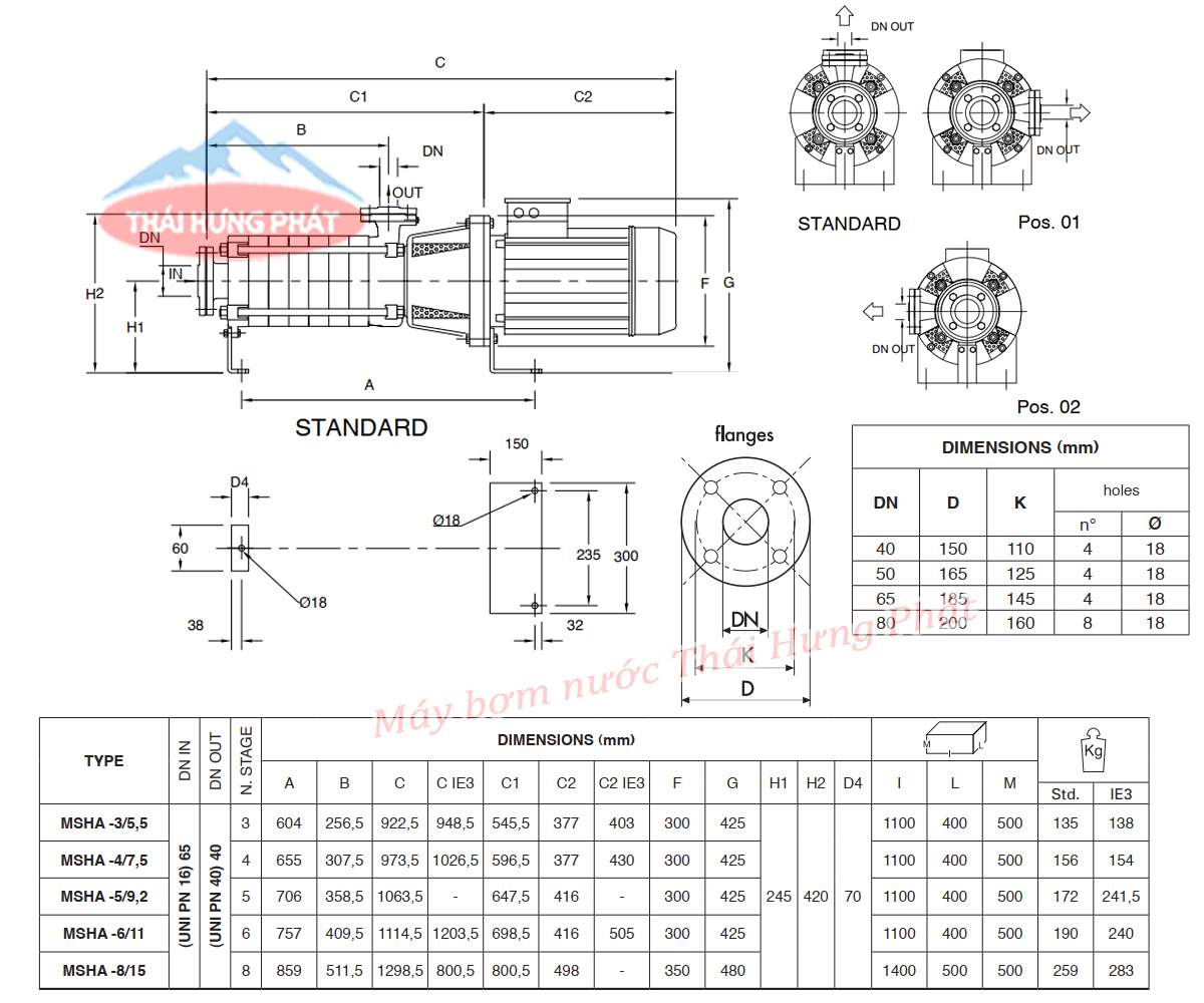
Bảng thông số kích thước chi tiết của Máy bơm trục đứng Pentax MSVA

Trong đó:
- Thân bơm là lớp vỏ ngoài bao quanh buồng bơm được chế tạo từ gang chất lượng cao. Lớp gang này thường phải đảm bảo chắc chắn, chịu được áp lực làm việc tốt ngay cả trong điều kiện môi trường làm việc dưới áp lực cao.
- Cánh bơm sử dụng vật liệu đồng nguyên chất. Bộ phận này thường được gia công chính xác để nâng cao hiệu suất dòng chảy, đồng thời hạn chế tối đa tình trạng bị ăn mòn khi gặp nguồn nước bị ô nhiễm hoặc nhiệt độ khắc nghiệt.
- Trục bơm đặc lắp tách biệt với động cơ, được làm từ inox 304 không gỉ, có khả năng chống ăn mòn tốt, đảm bảo độ bền bỉ tuyệt đối ngay cả khi phải tiếp xúc thường xuyên với nước.
- Bệ đỡ động cơ bằng gang chắc chắn, giữ có động cơ cố định, giảm rung động mạnh trong quá trình máy hoạt động.
- Phớt bơm là bộ phận làm kín trục bơm, ngăn chất lỏng bị rò rỉ. Bộ phận này thường được trang bị tổ hợp Ceramic – Graphite chất lượng cao để duy trì sự ổn định trong quá trình vận hành.
- Trang bị động cơ điện 2 cực, quấn dây đống kín, mang lại hiệu suất làm việc cao, tiết kiệm điện năng.
- Ngoài ra, máy còn được trang bị lớp cách điện F và lớp bảo về IP55 giúp chống bụi, chống bắn nước và nâng cao độ an toàn cho người dùng trong quá trình vận hành.
Biểu đồ lưu lượng cột áp của Máy bơm trục đứng Pentax MSVA

Máy bơm trục đứng Pentax MSVA sở hữu những ưu điểm nổi bật gì?
Không chỉ tạo được ấn tượng cho người sử dụng bởi cấu tạo nhỏ gọn, chắc chắn. Dòng bơm này còn sở hữu nhiều những ưu điểm nổi bật. Cụ thể như sau:
- Khả năng tạo ra áp lực mạnh mẽ và hiệu suất làm việc cao bởi thiết kế đa tầng cánh với cột áp lớn và lưu lượng nước ổn định. Máy đáp ứng nhiều nhu cầu sử dụng khác hau, giúp tối ưu hiệu suất, tiết kiệm điện năng, mang lại lợi ích kinh tế lâu dài.
- Kiểu dáng trục đứng, gọn gàng giúp các chủ thầu tối ưu không gian lắp đặt. Chính vì thế mà mẫu máy này có thể dễ dàng tích hợp vào các phòng kỹ thuật, hố bơm hay các hệ thống cấp nước hiện đại ngày nay.
- Hệ thống truyền động của bơm nước trục đứng Pentax được tối ưu hóa tối đa đểm giảm rung động và độ ồn trong quá trình vận hành.
- Sử dụng chất liệu cấu tạo cao cấp, các dòng sản phẩm trước khi được mang ra thị trường đều được trải qua quy trình kiểm tra nghiêm ngặt. Điều này giúp máy hoạt động ít xảy ra hư hỏng và giảm chi phí bảo trì về sau.
- Việc quấn dây đồng quanh động cơ nhằm mục đích kéo dài tuổi thọ sử dụng của máy và tiết kiệm tối đa lượng tiêu thụ điện năng.
Nên mua máy bơm ly tâm trục đứng đa tầng cánh Pentax MSVA chính hãng ở đâu?
PCCC Thái Hưng Phát với nhiều năm kinh nghiệm trong việc phân phối các thiết bị máy bơm nước cam kết mang đến cho bạn sản phẩm máy bơm trục đứng Pentax MSVA chính hang 100%. Tất cả các sản phẩm được chúng tôi cung cấp đều trải qua quá trình kiểm tra nghiêm ngặt để đảm bảo an toàn khi đến tay người tiêu dùng. Sản phẩm có đầy đủ tem mác với giấy tờ chứng nhận về nguồn gốc, chất lượng (CO, CQ,…) rõ ràng cùng giấy hướng dẫn sử dụng sản phẩm. Chính vì thế, khi mùa hàng tại chúng tôi, bạn sẽ hạn chế được tối đa rủi ro khi mua nhầm hàng giả, hàng kém chất lượng.

Không chỉ chú trọng về chất lượng sản phẩm, chúng tôi còn sở hữu đội ngũ nhân viên làm việc tận tình, chuyên nghiệp. Dù bạn đến mua hàng trực tiếp hay đặt mua hàng online, nhân viên kỹ thuật của Thái Hưng Phát đều sẽ tư vấn và giải thích rõ ràng để giúp bạn lựa chọn model phù hợp với nhu cầu thực tế. Điều này không chỉ giúp khách háng tránh chọn nhầm thiết bị mà còn nâng cao hiệu quả hạot động cũng như tối ưu chi phí.
Sau khi mua hàng, Thái Hưng Phát còn hỗ trợ Quý khách lắp đặt, hướng dẫn sử dụng và bảo dưỡng sản phẩm đúng cách. Chính sách bảo hành 12 tháng rõ ràng, đổi trả miễn phí nếu có bất kỳ sai sót nào từ nhà cung cấp. Ngoài ra, nhiều chương trình ưu đãi hấp dẫn được chúng tôi áp dụng để nâng cao trải nghiệm mua hàng của Quý khách.
Để biết thêm thông tin chi tiết, Quý khách vui lòng liên hệ về:
Công ty Cổ Phần Sản Xuất và Xuất Nhập Khẩu Thái Hưng Phát
- Địa chỉ: Số 12, ngõ 1 Bùi Huy Bích, Hoàng Liệt, Hoàng Mai, Hà Nội.
- Hotline: 0906 222 114 – 0899 222 911 – 0849 099 888
- Email: kinhdoanh@thaihungphat.vn
- Số điện thoại: 02473022662.
| Công suất | 7.5HP – 20HP |
|---|---|
| Thương hiệu | Pentax |
| Xuất xứ | Italy |
Related products
– Thương hiệu: Pentax
– Công suất: 6HP – 4.4kW
– Lưu lượng: 1.8 – 7.2 m³/h
– Cột áp: 216.2 – 114.3 m
– Tình trạng: Hàng mới 100% – Còn hàng
– Xuất Xứ: Italy
– Bảo hành: 12 tháng
– Thương hiệu: Pentax
– Công suất: 4HP – 3kW
– Lưu lượng: 1,8 – 7,2 m³/h
– Cột áp: 151,2 – 79,6 m
– Tình trạng: Hàng mới 100% – Còn hàng
– Xuất Xứ: Italy
– Bảo hành: 12 tháng
– Thương hiệu: Pentax
– Công suất: 9.5HP – 7kW
– Lưu lượng: 3,6 – 14,4 m³/h
– Cột áp: 202,1 – 72,9 m
– Tình trạng: Hàng mới 100% – Còn hàng
– Xuất Xứ: Italy
– Bảo hành: 12 tháng
– Thương hiệu: Pentax
– Công suất: 7.5HP – 5.5kW
– Lưu lượng: 3,6 – 14,4 m³/h
– Cột áp: 155,6 – 49,4 m
– Tình trạng: Hàng mới 100% – Còn hàng
– Xuất Xứ: Italy
– Bảo hành: 12 tháng
– Thương hiệu: Pentax
– Công suất: 9.5HP – 7kW
– Lưu lượng: 2,4 – 9,6 m³/h
– Cột áp: 216,9 – 135 m
– Tình trạng: Hàng mới 100% – Còn hàng
– Xuất Xứ: Italy
– Bảo hành: 12 tháng
– Thương hiệu: Pentax
– Công suất: 4HP – 3kW
– Lưu lượng: 2,4 – 10,8 m³/h
– Cột áp: 93.3 – 33 m
– Tình trạng: Hàng mới 100% – Còn hàng
– Xuất Xứ: Italy
– Bảo hành: 12 tháng
– Thương hiệu: Pentax
– Công suất: 5.5HP – 4kW
– Lưu lượng: 2.4 – 10.2 m³/h
– Cột áp: 123,8 – 61 m
– Tình trạng: Hàng mới 100% – Còn hàng
– Xuất Xứ: Italy
– Bảo hành: 12 tháng
– Thương hiệu: Pentax
– Công suất: 8HP – 5.9kW
– Lưu lượng: 2,4 – 9,6 m³/h
– Cột áp: 168,5 – 105 m
– Tình trạng: Hàng mới 100% – Còn hàng
– Xuất Xứ: Italy
– Bảo hành: 12 tháng
Tin tức
Tìm hiểu về dòng máy bơm ly tâm trục đứng
Hướng dẫn bảo dưỡng máy bơm trục đứng chi tiết từ A-Z
Hướng dẫn vận hành sử dụng máy bơm trục đứng
Giới thiệu về dòng máy bơm ly tâm trục đứng CNP
Giới thiệu về sản phẩm máy bơm trục đứng VNPY
Tổng quan chi tiết về dòng máy bơm trục đứng Pentax Italy
KHÁCH HÀNG ĐÁNH GIÁ
Nhiều hãng, nhiều loại máy bơm trục đứng có thể lựa chọn thỏa mái. Tư vấn tận tâm giúp tôi chọn được loại phù hợp nhất với nhà mình. Cảm ơn shop.
Máy bơm trục đứng chạy êm, đặc biệt dịch vụ của shop rất tốt, tư vấn rất nhiệt tình. Cảm ơn shop nhé.
Mình chọn mua loại máy bơm trục đứng công suất 3kw, chất lượng khỏi chê luôn. Có bảo hành rõ ràng nên mình rất yên tâm.
Nếu cần tư vấn miễn phí về sản phẩm, Quý khách có thể liên hệ đến số Hotline 0849 099 888 - 0862 98 58 68 - 0906 222 114 hoặc điền vào Form dưới đây:























