Số 12, ngõ 1, Bùi Huy Bích, Hoàng Mai, Hà Nội
Máy bơm trục đứng Pentax U7SV-400/8T 4HP
– Thương hiệu: Pentax
– Công suất: 4HP – 3kW
– Lưu lượng: 2,4 – 10,8 m³/h
– Cột áp: 93.3 – 33 m
– Tình trạng: Hàng mới 100% – Còn hàng
– Xuất Xứ: Italy
– Bảo hành: 12 tháng
CÔNG TY CỔ PHẦN SX VÀ XNK THÁI HƯNG PHÁT
🏠 VPGD Hà Nội: Số 12, ngõ 1, Bùi Huy Bích, Hoàng Mai, HN
🏠 VPGD HCM: Hẻm 689 Lạc Long Quân, Quận 10, HCM
📞 Hotline: 0906 222 114 – 0899 222 911 – 0849 099 888
✉️ Mail: kinhdoanh@thaihungphat.vn
⏰ Thời gian: Từ 8h - 17h30h thứ 2 đến thứ 7
Table of Contents
ToggleGiới thiệu tổng quan về sản phẩm máy bơm trục đứng Pentax U7SV 4HP nhập khẩu từ Italy
Máy bơm trục đứng Pentax U7SV 4HP hay còn được gọi là bơm ly tâm trục đứng đa tầng cánh là sản phẩm thuộc thương hiệu Pentax nổi tiếng, được nhập khẩu trực tiếp từ Italy. Sản phẩm được người dùng đánh giá cao nhờ hiệu suất hoạt động ổn định, chịu được áp lực làm việc cao và tuổi thọ sử dụng lâu dài. Thiết kế dạng trục đứng với đa tầng cánh bơm từ nhựa kỹ thuật cao giúp cho bơm đáp ứng đầy đủ các tiêu chuẩn kỹ thuật công nghiệp, mang lại giải pháp cấp nước hiệu quả cho mọi công trình.

Bơm trục đứng U7SV-400/8T thương hiệu Pentax công suất 4HP được ứng dụng trong các hệ thống khác nhau, bao gồm:
- Cấp nước cho các toàn chung cư cao tầng, khách sạn, trường học, trung tâm thương mại,…
- Hệ thống tưới tiêu tự động trong nông nghiệp, chăn nuôi.
- Làm bơm bù áp trong hệ thống cứu hỏa.
- Các khu công nghiệp, nhà xưởng sản xuất, chế biến yêu cầu áp lực nước ổn định.
Máy bơm được thiết kế chắc chắn, vật liệu cao cấp chống ăn mòn, chịu lực tốt, giúp vận hành liên tục mà ít cần bảo trì. Động cơ 3 pha đạt chuẩn châu Âu giúp tiết kiệm điện năng, vận hành êm và bền bỉ, đáp ứng cả các công trình đòi hỏi áp lực và lưu lượng cao.
Công ty Thái Hưng Phát hiện đang phân phối máy bơm trục đứng Pentax U7SV 4HP chính hãng với đầy đủ giấy tờ, bảo hành và linh kiện thay thế sẵn có. Khách hàng có thể yên tâm về chất lượng, dịch vụ tư vấn kỹ thuật và hỗ trợ lắp đặt trọn gói. Nếu Quý khách có nhu cầu mua hàng, hãy liên hệ với chúng tôi qua số hotline 0906 222 114 – 0899 222 911 – 0849 099 888.
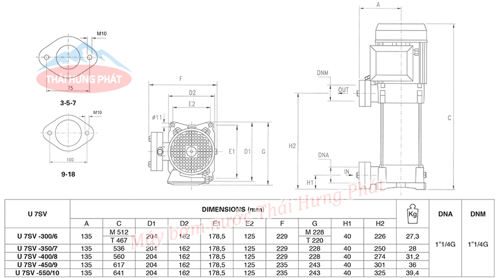
Thông tin chi tiết về sản phẩm máy bơm trục đứng U7SV-400/8T thương hiệu Pentax
Bơm ly tâm trục đứng đa tầng cánh Pentax U7SV công suất 4HP được sử dụng rất nhiều để duy trì áp lực trong các hệ thống hiện nay. Để đáp ứng khả năng vận hành tối ưu, Khách hàng cần lựa chọn sản phẩm phù hợp với nhu cầu sử dụng thực tế, đồng thời nắm rõ thông số vận hành và cấu tạo của bơm. Dưới đây là các bảng chi tiết được các chuyên gia nghiên cứu và tổng hợp lại, mời Quý khách hàng cùng tham khảo:
Bảng thông số kỹ thuật chi tiết của máy bơm Pentax U7SV-400/8T 4HP
Bảng thông số kỹ thuật chi tiết của Máy bơm trục đứng Pentax U7SV-400/8T 4HP

Theo số liệu được thống kê ở bảng trên, chúng tôi sẽ tổng hợp lại các chỉ số về máy bơm trục đứng Pentax U7SV-400/8T 4HP bạn cần nắm được như sau:
- Model: U7SV-400/8T
- Công suất: 4 HP – 3 kW
- Lưu lượng: 2,4 – 10,8 m³/h
- Cột áp max: 93,3 m
- Nguồn điện: 3 pha
- Điện áp: 400 V
- Tần số: 50 Hz
- Lớp cách điện: F
- Lớp bảo vệ tiêu chuẩn: IPX5
- Số tầng cánh quạt: 8 tầng
- Xuất xứ: Italy
- Bảo hành: 12 tháng
Biểu đồ lưu lượng cột áp của Máy bơm trục đứng Pentax U7SV-400/8T 4HP

Ngoài bảng thông số kỹ thuật ở trên, các chuyên gia còn khảo sát và xây dựng biểu đồ thể hiện mối quan hệ giữa lưu lượng nước và cột áp ở các điểm làm việc khác nhau. Biểu đồ này chính là cách nhanh nhất để xác định điểm làm việc hiệu quả từ đó giúp người vận hành tối ưu hệ thống. Dựa vào biểu đồ này, người dùng có thể dễ dàng tính toán và đánh giá được chính xác mức độ tương thích của thiết bị với từng hệ thống cấp nước.
Máy bơm nước trục đứng Pentax U7SV 4HP có cấu tạo như thế nào?
Bảng thông số kích thước chi tiết của Máy bơm trục đứng Pentax U7SV-400/8T 4HP

Máy bơm trục đứng đa tầng cánh Pentax U7SV‑550/10T 5.5HP có cấu tạo vô cùng chắc chắn, được chế tạo từ các vật liệu cao cấp, được tuyển chọn kỹ lưỡng ngay từ bước sản xuất. Chính vì thế mà khi sử dụng, người dùng có thể tuyệt đối yên tâm về khả năng vận hành cũng như độ bền bỉ của sản phẩm.
Bơm gồm hai bộ phận chính đó là động cơ và đầu bơm. Mỗi bộ phận đều đảm nhiệm vai trò khác nhau, những chúng đều được kết nối chắc chắn, phối hợp nhịp nhàng với nhau để bơm có thể hoạt động hiệu quả.
Phần động cơ điện được lắp phía trên cùng của bơm, được bảo vệ bởi lớp vỏ bằng gang chắc chắn. Để giúp bộ phân này không bị quá nhiệt, luôn duy trì ở mức nhiệt độ lý tưởng, các nhà sản xuất đã lắp đặt thêm cánh quạt gió tản nhiệt. Thiết kế này nhằm đảm bảo cho động cơ luôn hoạt động ổn định, bền bỉ trong thời gian dài sử dụng.
Phần đầu bơm đặt phía dưới động cơ cũng được bao bọc bên ngoài bởi lớp gang chắc chắn, cứng cáp. Bộ phận trung tâm là trục bơm làm bằng thép không gỉ AISI có nhiệm vụ truyền động quay từ động cơ đến cánh bơm chính xác. Bên trong buồng bơm là 8 tầng cánh bơm bằng nhựa kỹ thuật cao giúp tạo cột áp cao và lưu lượng nước ổn định.
Ngoài ra máy còn được trang bị thêm lớp cách điện F và lớp bảo vệ tiêu chuẩn IPX5 có tác dụng chống nước, chống bụi bẩn, giữ cho máy luôn bền đẹp.
Mua ở sản phẩm máy bơm nước trục đứng chất lượng ở đâu?
Trên thị trường hiện này, không khó để tìm mua sản phẩm máy bơm trục đứng Pentax U7SV 4HP tại nhiều đơn vị khác nhau. Tuy nhiên, không phải đơn vị nào cũng mang đến cho chúng ta sản phẩm uy tín, chất lượng. Việc mua phải hàng giả, hàng nhái không chỉ ảnh hưởng đến tuổi thọ của máy và còn làm giảm hiệu suất hoạt động cho toàn bộ hệ thống.

Nếu Quý khách vẫn còn đang phân vân tìm kiếm một địa chỉ cung cấp bơm Pentax U7SV 4HP uy tín thì hãy đến với PCCC Thái Hưng Phát. Tất cả sản phẩm máy bơm trục đứng tại Thái Hưng Phát đều đảm bảo.
- Cam kết chính hãng 100%.
- Đầy đủ tem mác cùng các giấy tờ kiểm định, giấy chứng nhận xuất xưởng, nguồn gốc xuất xứ rõ ràng.
- Nói không với hàng giả, hàng nhái, hàng kém chất lượng.
- Bảo hành trọn gói trong vòng 12 tháng kể từ ngày mua hàng.
- Hỗ trợ đổi trả miễn phí trong 7 ngày nếu có bất kỳ lỗi kỹ thuật từ nhà cung cấp.
- Giá cả cạnh tranh nhất thị trường cùng nhiều ưu đãi hấp dẫn.
Thông tin chi tiết:
Công ty Cổ Phần Sản Xuất và Xuất Nhập Khẩu Thái Hưng Phát
- Địa chỉ: Số 12, ngõ 1 Bùi Huy Bích, Hoàng Liệt, Hoàng Mai, Hà Nội.
- Hotline: 0906 222 114 – 0899 222 911 – 0849 099 888
- Email: kinhdoanh@thaihungphat.vn
- Số điện thoại: 02473022662.
| Công suất | 3kW |
|---|---|
| Thương hiệu | Pentax |
| Xuất xứ | Italy |
Related products
– Thương hiệu: Pentax
– Công suất: 9.5HP – 7kW
– Lưu lượng: 3,6 – 14,4 m³/h
– Cột áp: 202,1 – 72,9 m
– Tình trạng: Hàng mới 100% – Còn hàng
– Xuất Xứ: Italy
– Bảo hành: 12 tháng
– Thương hiệu: Pentax
– Công suất: 3.5HP – 2.6kW
– Lưu lượng: 2.4 – 10.2 m³/h
– Cột áp: 83,3 – 32,2 m
– Tình trạng: Hàng mới 100% – Còn hàng
– Xuất Xứ: Italy
– Bảo hành: 12 tháng
– Thương hiệu: Pentax
– Công suất: 9.2HP – 6.8kW
– Lưu lượng: 6 – 24 m³/h
– Cột áp: 129 – 50,7 m
– Tình trạng: Hàng mới 100% – Còn hàng
– Xuất Xứ: Italy
– Bảo hành: 12 tháng
– Thương hiệu: Pentax
– Công suất: 4HP – 3kW
– Lưu lượng: 1,8 – 7,2 m³/h
– Cột áp: 151,2 – 79,6 m
– Tình trạng: Hàng mới 100% – Còn hàng
– Xuất Xứ: Italy
– Bảo hành: 12 tháng
– Thương hiệu: Pentax
– Công suất: 9.5HP – 7kW
– Lưu lượng: 2,4 – 9,6 m³/h
– Cột áp: 216,9 – 135 m
– Tình trạng: Hàng mới 100% – Còn hàng
– Xuất Xứ: Italy
– Bảo hành: 12 tháng
– Thương hiệu: Pentax
– Công suất: 6HP – 4.4kW
– Lưu lượng: 1.8 – 7.2 m³/h
– Cột áp: 216.2 – 114.3 m
– Tình trạng: Hàng mới 100% – Còn hàng
– Xuất Xứ: Italy
– Bảo hành: 12 tháng
– Thương hiệu: Pentax
– Công suất: 5.5HP – 4kW
– Lưu lượng: 1.8 – 7.2 m³/h
– Cột áp: 194.4 – 102.1 m
– Tình trạng: Hàng mới 100% – Còn hàng
– Xuất Xứ: Italy
– Bảo hành: 12 tháng
– Thương hiệu: Pentax
– Công suất: 5.5HP – 4kW
– Lưu lượng: 2,4 – 10,8 m³/h
– Cột áp: 120.1 – 55.4 m
– Tình trạng: Hàng mới 100% – Còn hàng
– Xuất Xứ: Italy
– Bảo hành: 12 tháng
Tin tức
Tìm hiểu về dòng máy bơm ly tâm trục đứng
Hướng dẫn bảo dưỡng máy bơm trục đứng chi tiết từ A-Z
Hướng dẫn vận hành sử dụng máy bơm trục đứng
Giới thiệu về dòng máy bơm ly tâm trục đứng CNP
Giới thiệu về sản phẩm máy bơm trục đứng VNPY
Tổng quan chi tiết về dòng máy bơm trục đứng Pentax Italy
KHÁCH HÀNG ĐÁNH GIÁ
Nhiều hãng, nhiều loại máy bơm trục đứng có thể lựa chọn thỏa mái. Tư vấn tận tâm giúp tôi chọn được loại phù hợp nhất với nhà mình. Cảm ơn shop.
Máy bơm trục đứng chạy êm, đặc biệt dịch vụ của shop rất tốt, tư vấn rất nhiệt tình. Cảm ơn shop nhé.
Mình chọn mua loại máy bơm trục đứng công suất 3kw, chất lượng khỏi chê luôn. Có bảo hành rõ ràng nên mình rất yên tâm.
Nếu cần tư vấn miễn phí về sản phẩm, Quý khách có thể liên hệ đến số Hotline 0849 099 888 - 0862 98 58 68 - 0906 222 114 hoặc điền vào Form dưới đây:





















